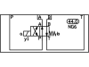
R900546257 - Rexroth 4/2 Wegeventil
Artikelnummer: 70546257
Hersteller: Bosch Rexroth AG
Hersteller Artikelnummer: R900546257
Einheit: St.
Nettogewicht (kg): 1,46
Zolltarifnummer: 84812010
ProduktdatenblattRecommended parts and supplies
Alle Preise exklusive MwSt.
